TQ-H7柱式稱重傳感器
編號:10133
查看:
發布:2020-07-30
TQ-H7柱式稱重傳感器為全密封雙球頭結構采用氬弧焊接,防水,防塵能力達到IP68等級要求。承載方式為壓式,動態響應快,防過載能力強、安裝容易,使用方便。 TQ-H7柱式稱重傳感器適用于制造電子汽車衡、動態軌道衡、大噸位料斗秤等衡器。
編號:10133
查看:
發布:2020-07-30
TQ-H7柱式稱重傳感器為全密封雙球頭結構采用氬弧焊接,防水,防塵能力達到IP68等級要求。承載方式為壓式,動態響應快,防過載能力強、安裝容易,使用方便。 TQ-H7柱式稱重傳感器適用于制造電子汽車衡、動態軌道衡、大噸位料斗秤等衡器。
產品名稱:TQ-H7柱式稱重傳感器
產品特點:TQ-H7柱式稱重傳感器為全密封雙球頭結構采用氬弧焊接,防水,防塵能力達到IP68等級要求。承載方式為壓式,動態響應快,防過載能力強、安裝容易,使用方便。
產品用途:TQ-H7柱式稱重傳感器適用于制造電子汽車衡、動態軌道衡、大噸位料斗秤等衡器。
量程: 150 kN(15t)、200 kN(20t)、300 kN(30t)、400 kN(40t)、600 kN(60t)
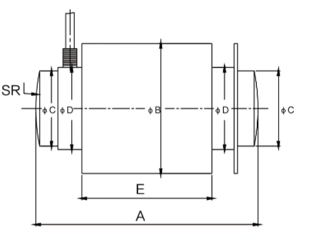
技術參數及外形尺寸:
序號 | 產品技術參數 | |
1 | 額定載荷 | 15-60t |
2 | 綜合精度 | 0.03% |
3 | 靈敏度 | 2.0mV/V±0.5% |
4 | 蠕變 | ±0.03%F.S/30min |
5 | 零點輸出 | ±1%F.S |
6 | 零點溫度影響 | ±0.03%F.S/10℃ |
7 | 輸出溫度影響 | ±0.03%F.S/10℃ |
8 | 輸入阻抗 | 700±20Ω |
9 | 輸出阻抗 | 706±3Ω |
10 | 絕緣阻抗 | ≥5000MΩ |
11 | 補償溫度范圍 | -10~40℃ |
12 | 安全過載 | 150%F.S |
13 | 材質 | 不銹鋼 |
14 | 密封等級 | IP68 |
15 | 接線方式 | 紅……E+(輸入正) 黑……E-(輸入負) 綠……S+(輸出正) 白……S-(輸出負) |

型號 | 量程(kN) | 量程(t) | A | B | C | D | E | SR |
TQ-H7 | 150 | 15 | 130 | 76.1 | 44 | 48 | 76.1 | 110 |
200 | 20 | 150 | 76.1 | 44 | 48 | 76.1 | 130 | |
300 | 30 | 150 | 76.1 | 44 | 48 | 76.1 | 160 | |
400 | 40 | 150 | 76.1 | 44 | 48 | 76.1 | 180 | |
600 | 60 | 210 | 76.1 | 44 | 48 | 76.1 | 220 |
圖片與實物略有差異,以實物為準 / 濟南泰欽保留隨時更改、撤消產品型號、規格的權利,恕不另行通知